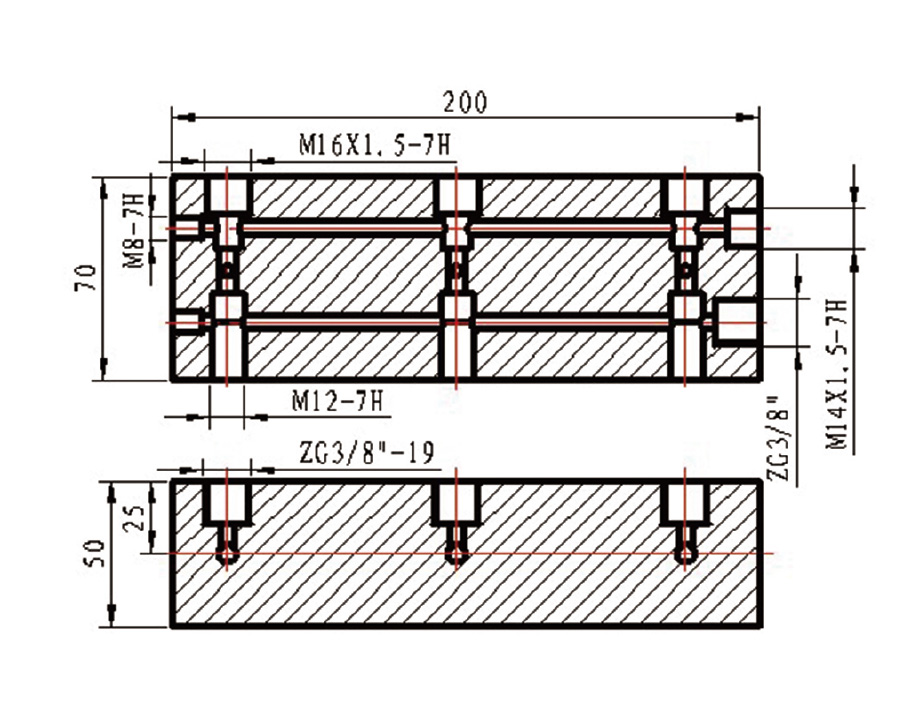
3通分配阀 型号: 特点介绍: 环沪液压分配阀是设计用于控制液压系统中的液压流方向的,有多种出口可选,所有出口都是R23/8,使用工作压力700bar。可选配堵头和快速接头。 参数: 分类: 液压系统元件2018年11月21日文章导航历史的文章历史的文章:2通分配阀未来的文章未来的文章:4通分配阀相关文章700bar高压油管2018年11月21日液压快速接头2018年11月21日压力表2018年11月21日压力表座2018年11月21日4通分配阀2018年11月21日2通分配阀2018年11月21日